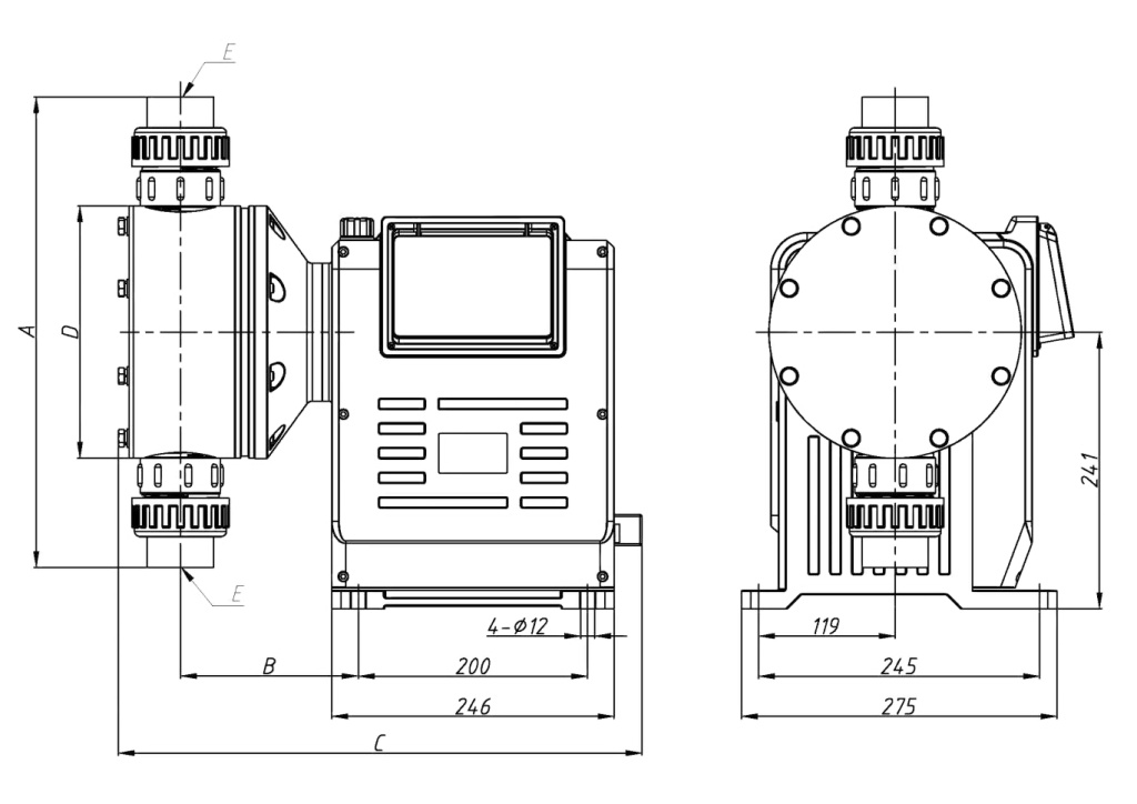
Чертеж оборудования

| A | B | C | D |
| 410 | 155 | 456 | 220 |
Чертеж оборудования

| A | B | C | D |
| 410 | 155 | 456 | 220 |
| Потребляемая мощность (Вт) | 80 |
| Напряжение (В) | 220 |
| Частота (Гц) | 50/60 |
| Высота всасывания (м) | 2 |
| Степень защиты | IP65 (влагозащищён, не водонепроницаем) |
| Уровень шума (дБ) | <60 |
| Длина комплектного кабеля (м) | 2 |
| Температура рабочей среды (°C) | от -10 до +60 |
| Материал мембраны | Композитная PTFE (5-слойная конструкция) |
| Номинальная частота (ход/мин) | 144 |
| Максимальный расход (л/ч) | 3200 |
| Точность дозирования (%) | ±1 |
| Максимальное давление (МПа) | 0,3 |
| Материал головки | PVC |
| Материал уплотнений | FKM или EPDM |
| Максимальная вязкость жидкости (сПз) | 1000 |
| Габаритные размеры (мм) | 410 х 155 х 456 |